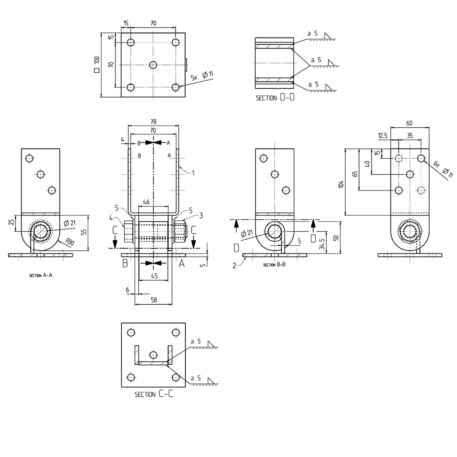
Supporto porta palo con parte superiore mobile per muri inclinati
in acciaio grezzo con superficie zincata a fuoco a tassellare
per pali in legno quadri .
Il supporto porta palo nella parte superiore ha una forcella
larga 71mm ed è ideale per il fissaggio di pali quadri da 70 mm.
La forcella ha su ogni lato 3 fori di diametro 11 mm montati.
Inoltre, la parte superiore del supporto può essere facilmente
regolata per l'angolo desiderato.
Per montare l'appoggio a terra, sulla base sono presenti
4 fori Ø 11mm.
Disponibili per dimensioni 71x71 - 91x91 mm
Numero di fori |
Foro |
Misura A |
Misura B |
Misura C |
Misura D |
10 |
ø 11 mm |
71 mm |
60 mm |
100 mm |
100 mm |

Montaggio
Fissaggio sicuro mediante avvitamento laterale.