CATEGORIE ECOMMERCE









ATTENZIONE: Javascript deve essere attivo per il corretto funzionamento del sito


SUPPORTO ZINCATO PER ANCORAGGIO PALO TONDO IN LEGNO ( 80mm) NEL TERRENO

Codice 5029
Peso 2.0 Kg
Prezzo € 27,01
CONSEGNA 24/48 h
Quantità Pz

Risparmio di tempo e denaro! Apposito supporto che permette di accogliere paletti in legno tondi con diametro da 80 mm utilizzabile in qualsiasi tipo di terreno e con qualsiasi pendenza.
SETTORI DI IMPIEGO Recinzioni in rete metallica 
risparmio di tempo I nostri supporti si istallano in un solo minuto a qualsiasi pendenza contro i 20 minuti stimati per la messa in opera di un plinto tradizionale su terreno piano.
risparmio di risorse I nostri supporti consentono una riduzione del 95% di manodopera nella messa in posa.
risparmio di materie prime i nostri supporti, pesando meno di 2 kg, a differenza dei plinti prefabbricati il cui peso varia dai 10 ai 20 kg, è più semplice da spostare e comporta un minore impiego di strumenti e materiali.
facilità di impiego i nostri supporti sono studiati per garantirne l’applicazione su diverse tipologie di terreno con qualunque pendenza, assicurando nello stesso tempo facilità di utilizzo anche da parte di un’utenza non esperta.
possibilità di recupero i nostri supporti possono essere facilmente svitati dal terreno e riutilizzati come base per nuovi supporti, consentendo un notevole risparmio economico ed il completo rispetto per l’ambiente.
nessuna limitazione Con i nostri supporti è possibile recintare aree in cui è bandito l'uso del cemento.

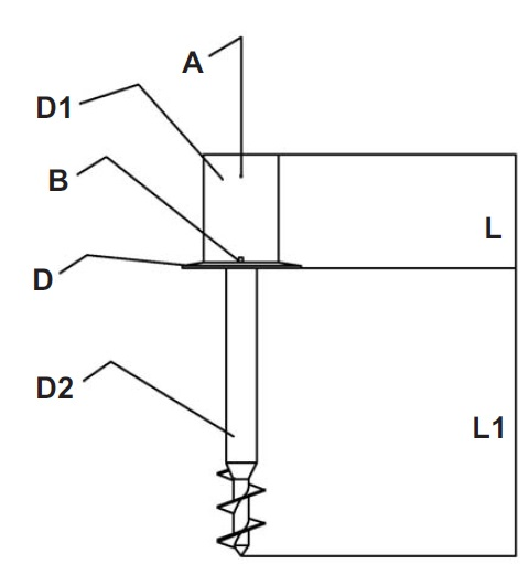
CARATTERISTICHE TECNICHE

A: n° 4 fori per fissaggio palo
B: n° 2 fori per scarico acqua
D: diametro piattello 160mm
D1: supporto per palo diametro 80/100
D2: diametro supporto tubolare 48 mm
L: 150 mm (80/100)
L1: 460 mm (80/100)


  


Le prove sono state effettuate posizionando i supporti nel terreno mediante “avvitamento” ed utilizzando un estrattore meccanico collegato ad un dinamometro. Le prove sono state realizzate su terreni superficiali, con umidità naturale e non saturi d’acqua.
ATTENZIONE: i dati riportati nelle tabelle di tenuta a trazione verticale e orizzontale, sono l'esito di un media calcolata su prove effettuate su 20 terreni a composizione similare per ogni tipologia di terreno. Essendo tali risultati frutto di una media e riscontrando risultati diversi a seconda della compattezza del terreno, le tabelle devono essere utilizzate a scopo indicativo
.

ISTRUZIONI DI POSA:

TRADUCI PAGINA











Italfrom - P.IVA 02645280641 - info@italfrom.com - Cookie e Privacy